汪文忠电路板维修培训,21天学会电路板维修技术

医用氙灯光源维修1例

发表时间:2022-07-04 14:17作者:汪文忠来源:深度工控网址:http://www.sdgongkong.com

本文为大家分享一个维修医用氙灯光源维修案例,更多免费技术内容请联系18122098565(微信同号)获取。

故障:某医院使用的STORZ内规镜冷光源,型号XENON NOVA 175出现故障 ,通电后有哒哒声,内部高压氙灯随着几次哒哒声闪烁一下,周而match复始,不能持续点亮。内部电路板图所示。

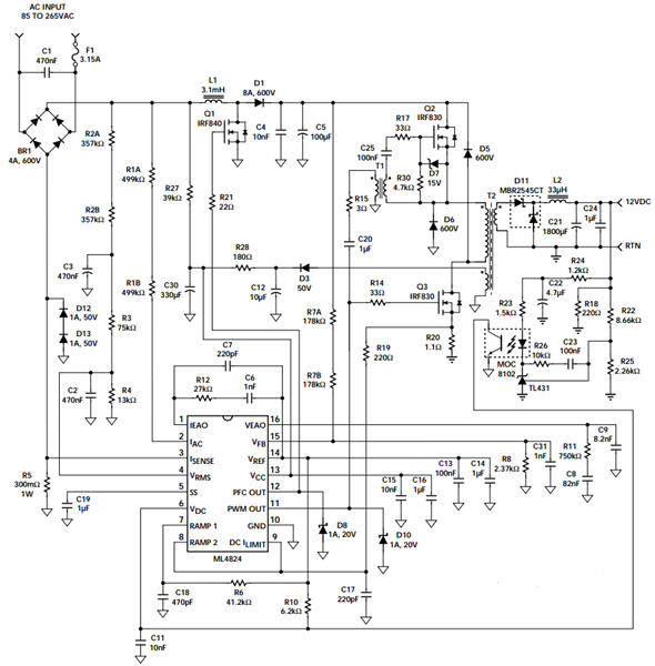
检修:仔细听哒哒声来自内部一个12V继电器的吸合声。对整个设备跑了一下线路,弄清楚了此光源的大致结构。220V输入设备后,整流桥整流,经过PFC电路进行电压提升,在主电容两端得到385VDC电压,再由升压电路得到上万伏特以上电压点亮氙灯。发出哒哒声这个继电器常开触点并联了一个12Ω电阻,减少通电瞬间大电容充电的冲击。PFC电路控制和PWM控制由一个芯片ML4824完成。通电后监测继电器线圈上的电压,发现一直在跳变,而继电器线圈的电压来自于芯片ML4824的电源脚,发现这个电压也在跳变。判断电源有明显的保护现象,造成芯片和继电器的供电不足。

氙灯光源.jpg

            内窥镜冷光源XENON NOVA 175

先确定电源管理芯片ML4824是否有问题,给芯片的VCC脚和GND脚接入15V维修电源,示波器观察11脚和12脚都有方波输出,说明故障不在芯片。检查电压反馈和电流反馈部分元件,也没有明显故障。用户拿过来两台设备,另一台故障不一样,于是两台设备对比阻值测试,也没有发现明显问题。怀疑电路板脏污在大阻值电阻(如图6.10所示的R7A R7B )两端形成并联效应,使得阻值减小,取样电压升高,从而触发过电压误报警。用洗板水清洁电阻周围的电路板,用热风枪吹干后,通电,故障消失。连续通电4个小时,氙灯一直点亮。交付用户使用,反映使用几天后,故障依旧,退回重修。怀疑使用环境是否潮气太重,又将电路板整体清洗,吹干,试机几天,没有问题,但是客户使用了几天,还是出现相同故障。

氙灯光源芯片电路.png


                                              ML4824典型电路

怀疑有过孔虚焊,或者某个贴片元件下面的脏污受热胀冷缩影响,电阻效应表现不一样。最后不管其它元件,专门针对,将图1.9.2的R7A R7B相同位置贴片电阻焊下,将电阻浸泡在洗板水中,将贴片电阻下面部分的电路板彻底清洗,上电试机,故障不现,说明这一次100%的找到了故障点。果然交给用户使用数月,没有再反映有故障出现。

扫码加客服老师微信,免费获取更多技术资料
20240307






视频课程
扫码领免费技术资料

20240307